|
Precision Hole Finishing - ROTAFLEX™
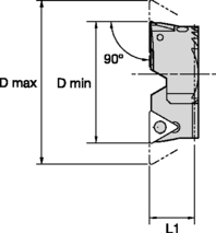
Insert Holder 90° Lead Insert Holder • T-Style
|
|
|
|
 |

|
|
|
D Min |
D Max |
L1 |
| order number |
catalog number |
mm |
in |
mm |
in |
mm |
in |
gage
insert |
clamping
screw |
Torx
driver |
Nm |
ft.lbs |
adjustment
screw |
screw
driver |
screw
driver |
| 2005674 |
12625804000 |
39,00 |
1.535 |
50,00 |
1.969 |
16,30 |
.642 |
TC../ TP..1102.. |
12148068700 |
12148086600 |
1,0 |
.74 |
1214 8069600 |
1214 8040900 |
— |
| 2005802 |
12625805100 |
50,00 |
1.969 |
67,00 |
2.638 |
21,80 |
.858 |
TC../ TP..16T3.. |
12148038800 |
12148082400 |
3,0 |
2.21 |
1214 7602200 |
1214 8041000 |
12148 041000 |
| 2005939 |
12625806800 |
67,00 |
2.638 |
88,00 |
3.465 |
24,30 |
.957 |
TC../ TP..16T3.. |
12148038800 |
12148082400 |
3,5 |
2.58 |
1214 7665000 |
1214 8041100 |
— |
|
|