|
Small Hole Boring Positive Inserts
FNG-R/L |
|
|
|
 |
| P |
|
○ |
● |
○ |
| M |
○ |
○ |
○ |
○ |
| K |
● |
○ |
○ |
○ |
| N |
● |
○ |
|
○ |
| S |
○ |
● |
|
● |
| H |
|
|
|
|
|
C25 |
CG5 |
CG6 |
CM1 |
● first choice
○ alternate choice |
|
|
| |
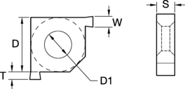
D |
S |
T |
W |
D1 |
| ISO catalog number |
ANSI catalog number |
mm |
in |
mm |
in |
mm |
in |
mm |
in |
mm |
in |
| Right Hand |
| FNG150392R |
FNG150392R |
5,00 |
.197 |
1,85 |
.073 |
0,70 |
.028 |
0,99 |
.039 |
2,50 |
.098 |
| FNG150472R |
FNG150472R |
5,00 |
.197 |
1,85 |
.073 |
1,00 |
.039 |
1,19 |
.047 |
2,50 |
.098 |
| FNG150552R |
FNG150552R |
5,00 |
.197 |
1,85 |
.073 |
1,50 |
.051 |
1,39 |
.055 |
2,50 |
.098 |
|
|