|
Chamfer Mills • M25 Series
M25 Shell Mills
|
|
|
|

|
 |
|
|
| M25 Tool Bodies |
| order # |
catalog number |
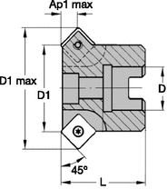
D1 |
D1 max |
D |
L |
Ap1 max |
Z |
insert 1 |
coolant supply |
kg |
| 2022631 |
12292511200 |
40 |
52 |
22 |
40 |
6,1 |
4 |
SD..0903.. |
No |
0,8 |
| 2022632 |
12292511400 |
50 |
67 |
22 |
40 |
8,3 |
4 |
SP..1204.. |
No |
0,9 |
| 2022633 |
12292511600 |
63 |
80 |
22 |
40 |
8,3 |
5 |
SP..1204.. |
No |
1,1 |
| D1 max |
insert screw |
Nm |
Torx driver |
| 40 |
12148095100 |
3,0 |
12148000600 |
| 50 |
12148007200 |
4,0 |
12148007500 |
| 63 |
12148007200 |
4,0 |
12148007500 |
|
|