|
Precision Hole Finishing - ROTAFLEX™
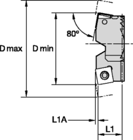
Insert Holder 80° Lead Insert Holder • S-Style
|
|
|
|
 |

|
|
|
D Min |
D Max |
L1 |
L1A |
| order number |
catalog number |
mm |
in |
mm |
in |
mm |
in |
mm |
in |
gage
insert |
clamping
screw |
Torx
driver |
Nm |
ft.lbs |
adjustment
screw |
screw
driver |
screw
driver |
| 2005620 |
1262 6003000 |
30,00 |
1.181 |
39,00 |
1.535 |
12,35 |
.486 |
1,30 |
.051 |
SP..0703.. |
1214 8067200 |
1214 8086600 |
1,0 |
.74 |
1214 8069600 |
1214 8040900 |
— |
| 2005676 |
1262 6004000 |
39,00 |
1.535 |
50,00 |
1.969 |
16,30 |
.642 |
1,50 |
.059 |
SC../ SP..09T3.. |
1214 8038800 |
1214 8082400 |
3,0 |
2.21 |
1214 8069600 |
1214 8040900 |
— |
| 2005814 |
1262 6005000 |
50,00 |
1.969 |
67,00 |
2.638 |
21,80 |
.858 |
2,10 |
.083 |
SC../ SP..1204.. |
1214 8007200 |
1214 8099400 |
3,5 |
2.58 |
1214 7602200 |
1214 8041000 |
1214 8041000 |
| 2005941 |
1262 6006700 |
67,00 |
2.638 |
88,00 |
3.465 |
24,30 |
.957 |
2,10 |
.083 |
SC../ SP..1204.. |
1214 8007200 |
1214 8099400 |
3,5 |
2.58 |
1214 7665000 |
1214 8041100 |
|
|
|